一、概述
ZGJ系列座式管夹适用于以油、水、气为介质的固定及振动的管道,可在-5~+110℃的环境温度下正常使用。塑料管夹结构简单,外形美观、安装规范、拆洗方便、可组合安装,具有减振、消音、耐腐蚀等优点,是理想的管道固定部件。
二、型号说明
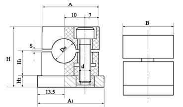
三、外形尺寸
ZGJS1型塑料轻型座式管夹
适用于公称压力≤10MPa无振动的管路。
|
型号
|
Do
|
钢管外径
(Do)
|
A
|
A1
|
B
|
H
|
H1
|
H2
|
S
|
d
|
|
ZGJS1
|
6
|
6
|
28
|
33
|
25
|
32
|
13
|
6
|
1.5
|
M6
|
|
8
|
8
|
|
10
|
10
|
|
12
|
12
|
ZGJS2塑料中型座式管夹
适用于公称压力≤20MPa无振动的管路。
|
型号
|
钢管外径(D0)
|
A0
|
A
|
A1
|
B
|
H
|
H1
|
H2
|
S
|
d
|
|
ZGJS2
|
6
|
20
|
34
|
39
|
25
|
32
|
13
|
6
|
1.5
|
M6
|
|
8
|
|
10
|
|
12
|
|
14
|
26
|
40
|
45
|
25
|
40
|
17
|
6
|
2
|
|
15
|
|
16
|
|
18
|
|
20
|
33
|
48
|
53
|
25
|
42
|
24
|
6
|
2
|
|
22
|
|
25
|
|
26
|
52
|
70
|
75
|
25
|
64
|
29
|
6
|
2
|
|
28
|
|
30
|
|
32
|
|
35
|
|
36
|
|
40
|
|
42
|
|
45
|
66
|
86
|
91
|
25
|
72
|
33
|
6
|
3
|
|
48
|
|
50
|
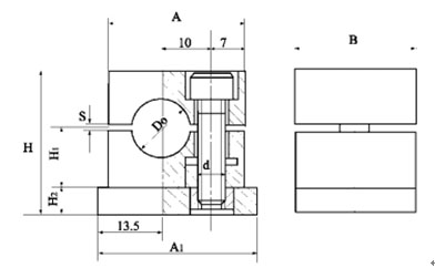
ZGJL3型铝合金轻型座式管夹
适用于公称压力≤10MPa无振动的管路。
|
型 号
|
D0
|
钢管外径
(D0)
|
A
|
A1
|
B
|
H
|
H1
|
H2
|
S
|
d
|
重量
kg
|
|
ZGJL3
(ZGJTS1)*
|
6
|
6
|
28
|
33
|
25
|
32
|
13
|
6
|
1.5
|
M6
|
0.06
|
|
8
|
8
|
|
10
|
10
|
|
12
|
12
|
ZGJL3 型铝合金中型座式管夹
适用于公称压力≤20MPa无振动的管路。
|
型号
|
钢管外径
(D0)
|
A0
|
A
|
A1
|
B
|
H
|
H1
|
H2
|
S
|
d
|
|
ZGJL3
(ZGJTS2)*
|
6
|
20
|
34
|
39
|
25
|
32
|
13
|
6
|
1.5
|
M6
|
|
8
|
|
10
|
|
12
|
|
14
|
26
|
40
|
45
|
25
|
40
|
17
|
6
|
2
|
|
15
|
|
16
|
|
18
|
|
20
|
33
|
48
|
53
|
25
|
42
|
24
|
6
|
2
|
|
22
|
|
25
|
|
26
|
52
|
70
|
75
|
25
|
64
|
29
|
6
|
2
|
|
28
|
|
30
|
|
32
|
|
35
|
|
36
|
|
40
|
|
42
|
|
45
|
66
|
86
|
91
|
25
|
72
|
33
|
6
|
3
|
|
48
|
|
50
|
|